
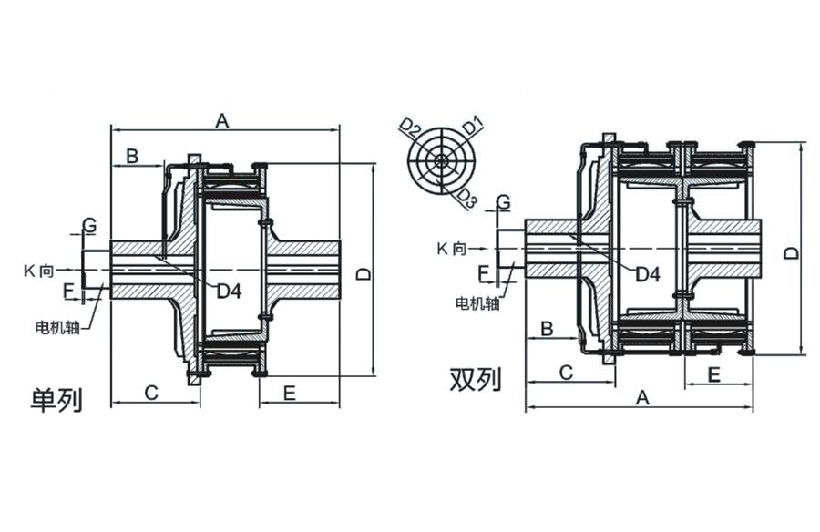
型号 Model | A | B | C | D | E | F | G | D₁ | D₂ | D₃ | D₄ |
DL520-260×1 | 685 | 110 | 250 | 854 | 200 | 25 | 14 | 110 | 80 | M10 | ZG1/2 |
DL665-260×1 | 885 | 200 | 350 | 1000 | 300 | 25 | 14 | 110 | 80 | M10 | ZG1/2 |
DL875-300×1 | 1106 | 250 | 400 | 1230 | 350 | 25 | 14 | 110 | 80 | M10 | ZG1/2 |
DL875-300×2 | 1270 | 350 | 500 | 1230 | 380 | 25 | 14 | 110 | 80 | M10 | ZG1/2 |
DL1000-300×1 | 1106 | 250 | 400 | 1350 | 350 | 25 | 14 | 110 | 80 | M10 | ZG1/2 |
DL1000-300×2 | 1430 | 400 | 580 | 1350 | 460 | 25 | 14 | 110 | 80 | M10 | ZG1/2 |
DL38VC1200 | 1240 | 350 | 470 | 1270 | 380 | 25 | 14 | 110 | 80 | M10 | ZG3/4 |
DL42VC1200 | 1330 | 350 | 470 | 1378 | 470 | 25 | 14 | 110 | 80 | M10 | ZG3/4 |
DL46VC1200 | 1440 | 350 | 580 | 1549 | 470 | 25 | 14 | 110 | 80 | M10 | ZG3/4 |
DL52VC1200 | 1440 | 350 | 580 | 1721 | 470 | 25 | 14 | 110 | 80 | M10 | ZG3/4 |
DL51VC1600 | 1490 | 350 | 630 | 1721 | 470 | 25 | 14 | 110 | 80 | M10 | ZG3/4 |
型号 Model | 同步电机额定功率 Synchronizing Motor rated power (KW) | 0.5Mpa 气压下工作扭矩 Working Torque under 0.5Mpa (KN・m) | 转速 Rotating speed (r/min) |
DL520-260×1 | 200-250 | 23 | 167 |
DL665-260×1 | 300-350 | 34.1 | 187.5 |
DL875-300×1 | 630-800 | 63 | 167 |
DL875-300×2 | 1250-1400 | 125 | 150 |
DL1000-300×1 | 800-1000 | 102.07 | 167 |
DL1000-300×2 | 1600-2000 | 200.43 | 150 |
DL38VC1200 | 1500-2000 | 203.71 | 150 |
DL42VC1200 | 2300-2800 | 228.15 | 187.5 |
DL46VC1200 | 2500-3000 | 274.45 | 167 |
DL52VC1200 | 3000-3500 | 320.20 | 167 |
DL51VC1600 | 3800-4300 | 393.39 | 167 |
规格 Model | 摩擦面积 Friction area | 额定扭矩值 (KN・m)Rated torque | ||
单列 Single row | 双列 Double row | 单列 Single row | 双列 Double row | |
DL520-260 | 4.525 | 9.05 | 23 | 46 |
DL665-260 | 5.43 | 10.86 | 31.5 | 63 |
DL850-260 | 6.94 | 13.88 | 40 | 100 |
DL875-300 | 8.25 | 16.5 | 63 | 125 |
DL1000-300 | 9.425 | 18.85 | 102.7 | 200.43 |
DL38VC1200 | 8.1 | 16.2 | 103.6 | 203.71 |
DL42VC1200 | 9.45 | 18.9 | 115 | 228.15 |
DL46VC1200 | 9.76 | 19.52 | 137 | 274.45 |
DL52VC1200 | 10.98 | 21.96 | 160 | 320.2 |
DL51VC1600 | 15.35 | 30.7 | 197 | 393.39 |