
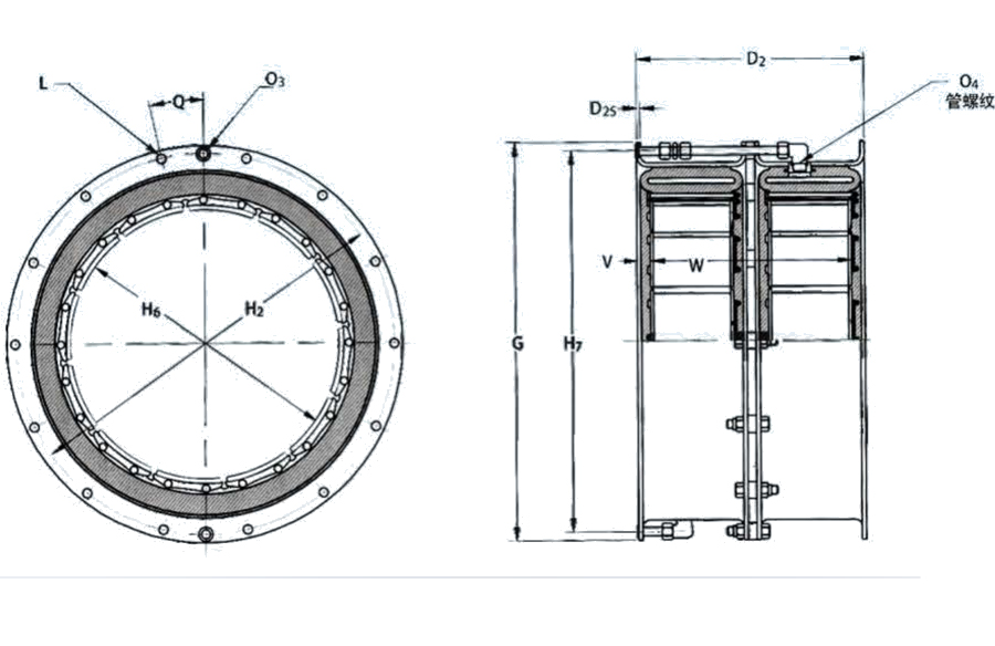
型号 Size | 扭矩 Torque Rating | D₂ | D₂₅ | G | H₂ | H₆ | H₇ | L 螺栓 (Bolt) | O₃ | O₄ | Q | V | W | ||
数量 No. | 尺寸 Size | 度 (Deg) | 数量 No. | 宽度 Width | |||||||||||
12CB350 | 3010 | 257 | 5 | 447.7 | 428.6 | 308 | 429 | 14 | 10 | 8 | 3/8-18 | 12.857 | 17 | 24 | 222 |
14CB400 | 4450 | 283 | 5 | 498.5 | 479.4 | 359 | 479 | 16 | 10 | 8 | 3/8-18 | 11.250 | 17 | 28 | 248 |
16CB500 | 7960 | 346 | 5 | 596.9 | 571.5 | 411 | 565 | 8 | 13 | 10 | 3/8-18 | 22.500 | 21 | 20 | 305 |
18CB500 | 9940 | 346 | 5 | 647.7 | 619.1 | 462 | 619 | 12 | 13 | 10 | 3/8-18 | 15.000 | 21 | 22 | 305 |
20CB500 | 12100 | 346 | 5 | 698.5 | 720.7 | 513 | 670 | 12 | 13 | 10 | 3/8-18 | 15.000 | 21 | 24 | 305 |
22CB500 | 14100 | 346 | 5 | 749.3 | 771.5 | 564 | 721 | 12 | 13 | 10 | 3/8-18 | 15.000 | 21 | 26 | 305 |
24CB500 | 17000 | 346 | 5 | 800.1 | 831.9 | 614 | 772 | 16 | 13 | 10 | 3/8-18 | 11.300 | 21 | 28 | 305 |
26CB525 | 20900 | 362 | 6 | 863.6 | 882.7 | 665 | 826 | 16 | 16 | 13 | 1/2-14 | 11.300 | 21 | 32 | 319 |
28CB525 | 24000 | 367 | 6 | 914.4 | 940.3 | 716 | 876 | 16 | 16 | 13 | 1/2-14 | 11.300 | 21 | 34 | 322 |
30CB525 | 27300 | 367 | 6 | 965.2 | 984.3 | 767 | 927 | 16 | 16 | 13 | 1/2-14 | 11.300 | 21 | 36 | 322 |
32CB525 | 31000 | 367 | 6 | 1016.0 | 1095.4 | 818 | 978 | 18 | 16 | 13 | 1/2-14 | ⑤ | 21 | 38 | 322 |
36CB525 | 38900 | 367 | 6 | 1133.5 | 1197.0 | 919 | 1099 | 18 | 19 | 16 | 3/4-14 | ⑤ | 21 | 44 | 322 |
40CB525 | 47700 | 367 | 7 | 1235.1 | 1324.0 | 1021 | 1200 | 20 | 19 | 16 | 3/4-14 | 9.000 | 21 | 48 | 322 |
45CB525 | 58800 | 367 | 7 | 1362.1 | 1324.0 | 1148 | 1327 | 24 | 19 | 16 | 3/4-14 | 7.500 | 21 | 54 | 322 |
型号 Size | 扭矩 Torque Rating | 大转速 Maximum Speed | 离心力损失系数 Centrifugal Loss Constant | 转动惯量 Moment of Inertia | 重量 Weight | 摩擦面积 Friction Area | 摩擦片厚度 Friction Lining Thickness | 气胎容积 Air Tube Cavity (dm³) | 安徽轮毂小直径 Minimum Drum Diameter | |
新 New | 旧 Worn | |||||||||
12CB350 | 3010 | 1800 | 0.83E-06 | 1.05 | 28 | 1651 | 5 | 2 | 2.62 | 302 |
14CB400 | 4450 | 1800 | 1.04E-06 | 1.76 | 34 | 2193 | 5 | 2 | 2.30 | 353 |
16CB500 | 7960 | 1550 | 1.38E-06 | 4.45 | 68 | 3109 | 7 | 2 | 4.59 | 403 |
18CB500 | 9940 | 1400 | 1.59E-06 | 6.05 | 75 | 3380 | 7 | 2 | 5.25 | 454 |
20CB500 | 12100 | 1300 | 1.73E-06 | 7.77 | 82 | 3715 | 7 | 2 | 5.58 | 505 |
22CB500 | 14100 | 1250 | 1.93E-06 | 9.79 | 88 | 4025 | 7 | 2 | 6.23 | 555 |
24CB500 | 17000 | 1200 | 2.07E-06 | 12.26 | 95 | 4360 | 7 | 2 | 6.56 | 606 |
26CB525 | 20900 | 1050 | 2.35E-06 | 18.14 | 123 | 5212 | 8 | 2 | 8.53 | 656 |
28CB525 | 24000 | 1000 | 2.55E-06 | 21.71 | 130 | 5547 | 8 | 2 | 9.18 | 706 |
30CB525 | 27300 | 950 | 2.76E-06 | 26.08 | 137 | 5908 | 8 | 2 | 9.51 | 757 |
32CB525 | 31000 | 900 | 2.97E-06 | 30.91 | 145 | 6231 | 8 | 2 | 10.20 | 808 |
36CB525 | 38900 | 800 | 3.31E-06 | 44.18 | 166 | 7095 | 8 | 2 | 11.50 | 910 |
40CB525 | 47700 | 750 | 3.59E-06 | 63.08 | 187 | 7869 | 8 | 2 | 12.50 | 1011 |
45CB525 | 58800 | 670 | 4.42E-06 | 96.31 | 243 | 8708 | 8 | 2 | 14.10 | 1137 |